VARIANT VX Bänder für Fensterfalzsysteme

29.04.2020

SIMONSWERK nimmt VARIANT VX Bänder für Fensterfalzsysteme ins Programm, um eine Alternative für grosse, schwere Fenstertüren anbieten zu können.

Mit den beiden Bandtypen VARIANT VX 7939/160-4-18/12 FD und VX 7859/160-4-18/12 FD nimmt SIMONSWERK zur Abrundung der VX-Reihe zwei weitere Bänder in das Programm auf. Speziell im Bereich Fenster und Türen werden die Anforderungen durch stärkere Verglasungen, dickere Bautiefen und größere Elemente stetig höher. Um diesen Anforderungen im Hinblick auf Belastungswert und Langlebigkeit eine alternative Anwendungsmöglichkeit zu bieten, ist das bewährte VX-System nun auch für diesen Bereich einsetzbar.

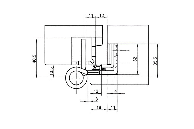
Die beiden neuen Bandvarianten zeichnen sich durch eine spezielle Flügelteilgeometrie aus. Diese ist ausgelegt auf Fensterfalzsysteme mit 18mm bzw. 20mm Überschlagbreite bei denen sowohl Dichtungen mit einem Kopf von 10mm und auch 12mm eingesetzt werden können. Die bewährte VX-Technik kann somit auch z. B. bei großen Balkontürelementen eingesetzt werden. Der Belastungswert (bezogen auf ein Referenzflügelmaß von 1.000 x 2.000mm) beträgt bei der gefälzten Ausführung 200kg und bei der gefälzt flächenbündigen Ausführung 120kg in Verbindung mit dem Einsatz des Aufnahmeelementes VX 7531 3D. Die Bänder werden in Edelstahl matt gebürstet geliefert.